您现在所在位置: 首页»产品中心»调光器»ZigBee智能面板




产品型号:JP4801
工作电压:220~240VAC
通信协议:Tuya zigbee
工作温度:-20℃~+50℃
应用范围:开关控制、场景自动化等
产品颜色:四种
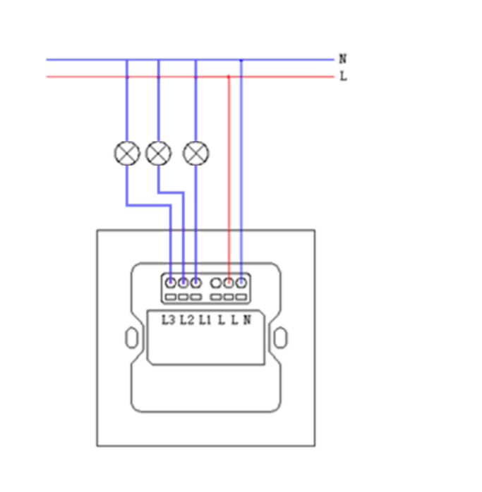
产品简介
JP4801是一款无线智能型开关面板,采用的是目前较为流行的Zigbee通信技术,通过接入涂鸦Iot平台可以实现灯光、场景自动化控制等。
产品特性
1、四种高级颜色任你选,可根据用户需求雕刻自定义内容
2、采用zigbee通讯 2.4Ghz
3、用户可手动设置背光亮度
4、AC220V输入
上一条: 无上一篇